출원번호 : 10-2016-0046883 (2016년04월18일)
등록번호 : 10-1858338 (2018년05월09일)
특허권자 : 명지대학교 산학협력단
요약 :
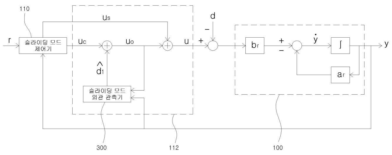
채터링 현상을 완화하면서 강인한 성능을 확보하는 제어 시스템 및 방법이 개시된다. 상기 제어 시스템은 슬라이딩 모드 제어기 및 오프셋 외란을 보상하는 슬라이딩 모드 외란 관측기를 포함한다. 여기서, 상기 슬라이딩 모드 제어기는 외란 중 상기 오프셋 외란을 제외한 나머지 외란을 보상한다.
1020160046883B1




