출원번호 : 10-2014-0007336 (2014년01월21일)
등록번호 : 10-1507269 (2015년03월24일)
특허권자 : 한밭대학교
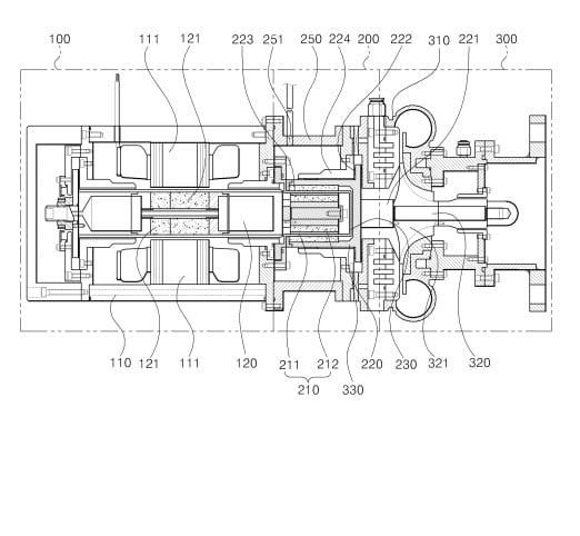
요약 : 본 발명은 인입되는 스팀을 압축하여 재공급하는 스팀 압축장치에 관한 것으로 더욱 상세하게 살펴보면, 외부에
서 인가된 전원으로 회동축을 회전시켜 회전력을 출력하는 구동부와, 자성을 가지며, 상기 구동부의 회동축 일측
단에 결합하여, 상기 회동축이 회전됨에 따라 함께 회전하는 제1자성회전부재와, 상기 제1자성회전부재를 내부에
간극을 유지한 상태로 수용하면서 상기 구동부에 장착하여, 고온의 열로부터 상기 제1자성회전부재를 보호하도록
차폐하는 차폐캡과, 상기 차폐캡을 내부에 간극을 유지한 상태로 수용하면서, 내주면을 따라 자성체를 구비하여
상기 제1자성회전부재의 자성에 이끌려 회전하는 제2자성회전부재를 포함하는 회전전달부와, 상기 제2자성회전부
재와 임펠라의 회전축이 연결되고, 상기 제1자성회전부재의 자성에 이끌려 회전하는 제2자성회전부재의 회전력을
전달받아 상기 임펠라에 의한 원심력으로 인입된 스팀을 압축하여 후방으로 공급하는 압축부와, 상기 제2자성회
전부재를 내부에 일정한 간격을 유지한 상태로 수용하면서, 상기 압축부의 전단에 결합하는 고정관체 및 상기 구
동부와 압축부의 사이에 배치하여, 상기 구동부와 압축부를 연결하고, 일측면에는 압축공기생성장치에서 공급하
는 압축공기를 내부로 인입하는 압축공기주입밸브를 구비하는 보호관체를 포함하여, 상기 압축공기주입밸브를 통
해 상기 보호관체의 내부에 압축공기가 충진되고, 상기 보호관체 내에 충진된 압축공기가 상기 고정관체와, 상기
제2자성회전부재의 사이 간격을 따라 침투하여, 압축공기가 간격 내에서 공기베어링 기능을 수행하도록 하고, 압
축공기로 스팀의 침투를 방지하는 응축수 방지형 스팀 압축장치를 제공한다.





