출원번호 : 10-2019-0002076 (2019년01월08일)
등록번호 : 10-2307484 (2021년09월24일)
특허권자 : 명지대학교 산학협력단
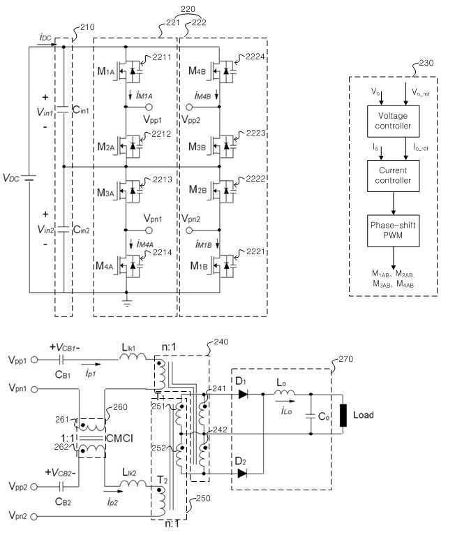
요약 : 전기 차량용 저전압 절연형 DC/DC 컨버터가 개시된다. 개시된 DC/DC 컨버터는 전기 차량용 배터리에 충전된 입력 전압에 기초하여 제1 포지티브 전압 및 제1 네거티브 전압을 출력하는 제1 인버터; 상기 입력 전압에 기초하여 제2 포지티브 전압 및 제2 네거티브 전압을 출력하는 제2 인버터; 상기 제1 포지티브 전압 및 상기 제1 네거티브 전압에 기초하여 전압을 변화시키는 제1 변압기; 상기 제2 포지티브 전압 및 상기 제2 네거티브 전압에 기초하여 전압을 변화시키는 제2 변압기; 상기 제1 변압기의 1차측과 상기 제2 변압기의 1차측 사이에 연결되는 전력 균형기; 및 상기 제1 변압기의 2차측 및 상기 제2 변압기의 2차측과 연결되며, 상기 제1 변압기의 2차측 및 제2 변압기의 2차측에서 출력된 전압을 정류하여 출력 전압을 출력하는 출력부;를 포함한다.
1020190002076




