출원번호 : 10-2016-0013944 (2016년02월04일)
등록번호 : 10-1716074 (2017년03월07일)
특허권자 : 한밭대학교
요약 : 본 발명은 정격출력 유지를 위한 풍력터빈의 출력제어방법 및 그 시스템에 대한 것이다. 보다 상세하게는, 발전
기 회전속도를 실시간으로 측정하는 회전속도 측정부; 블레이드의 피치 명령각을 실시간으로 계산하는 피치제어
기; 피치 명령각을 제한하여 실제 블레이드의 피치각을 결정하는 피치각 제한장치부; 상기 회전속도 측정부에서
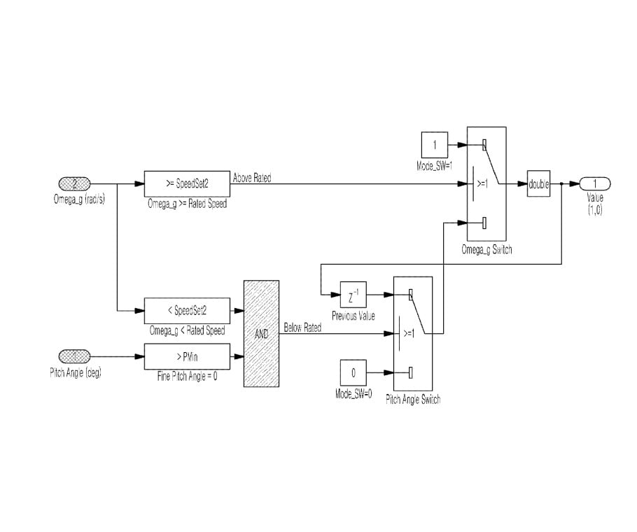
측정된 회전속도와 피치제어기와 피치각 제한장치부에서 결정된 피치각을 기준으로, 바람에너지가 정격출력미만
이라고 판단되면 제1모드값을 선택하고, 정격출력이상이라고 판단되면 제2모드값을 선택하는 토크모드스위치;
및 상기 토크모드스위치에서 선택된 모드값이 상기 제1모드값의 경우, 기 연산된 회전속도에 따른 토크값으로
상기 발전기토크를 제어하고, 상기 제2모드값의 경우, 정격출력파워로 일정하게 유지되는 발전기 토크크기로 상
기 발전기 토크를 제어하는 토크제어기를 포함하여, 바람에너지가 풍력터빈의 정격출력 부근에서 변동할 때 정
격출력 이상에서는 발전기의 정격출력은 유지하고 정격출력 이하에서는 최대출력을 생산하기 위하여 토크모드스
위치를 이용할 때 발생하는 토크채터링이 발생하지 않도록 토크제어기를 안정적으로 작동시킬 수 있는 정격출력
유지를 위한 풍력터빈의 출력제어 시스템에 관한 것이다.





