출원번호 : 10-2004-0050901 (2004년06월30일)
등록번호 : 10-0805888 (2008년02월14일)
특허권자 : 배재대학교 산학협력단
요약 :
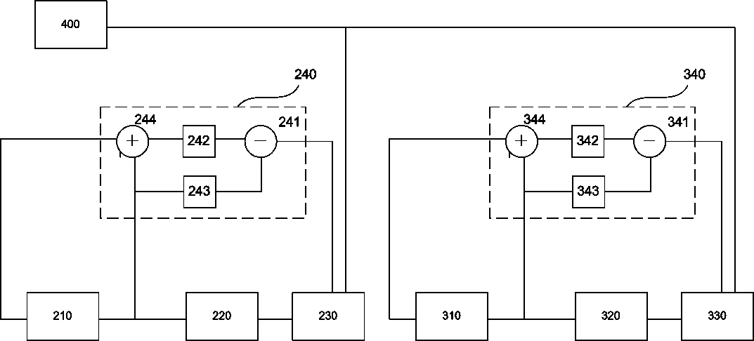
본 발명은 지연시간 변조를 이용하여 혼돈 장치를 동기화하는 동기화장치 및 통신장치에 관한 것으로, 초기값이 달라 서로 다른 혼돈신호를 만드는 두개의 동일한 혼돈장치가 서로 동일한 신호를 발생시키도록 하기 위해, 동일한 지연시간 변조에 의해 두 혼돈 시스템을 동기화 시키고, 이 혼돈장치에서 발생한 혼돈신호를 이용하여 정보신호를 암호화, 복호화하는 혼돈장치의 동기화장치 및 이를 이용한 통신장치에 관한 것이다. 이를 위하여 본 발명은, 소정의 혼돈계에 따른 변수들이 함수적으로 서로 연결되어 혼돈특성을 갖는 적어도 하나 이상의 혼돈신호를 발생하는 주혼돈장치와, 상기 주혼돈장치와 동일하게 구성되며, 상기 주혼돈장치가 발생하는 혼돈신호에 대응되는 혼돈신호를 발생하는 종속혼돈장치로 이루어진 혼돈시스템에 있어서, 변조신호를 발생하는 변조신호 발생수단과, 상기 주혼돈장치로부터 발생되는 혼돈신호를 시간지연시키는 제1시간지연수단과, 상기 시간지연된 혼돈신호를 상기 변조신호 발생수단에서의 변조신호로 상기 제1시간지연수단에서 출력되는 지연시간을 변조하는 제1지연시간변조수단와, 상기 종속혼돈장치로부터 발생되는 혼돈신호를 시간지연시키는 제2시간지연수단과, 상기 시간지연된 혼돈신호를 상기 변조신호 발생수단에서의 변조신호로 상기 제2시간지연수단에서 출력되는 지연시간을 변조하는 제2지연시간변조수단과, 상기 제1지연시간변조수단으로부터 변조된 지연시간을 상기 주혼돈장치로부터 발생하는 적어도 하나 이상의 혼돈신호에 부가하여 상기 주혼돈장치로 되먹임하는 제1동기화부와, 상기 제2지연시간변조수단으로부터 변조된 지연시간을 상기 주혼돈장치로부터 발생하는 임의의 한 혼돈신호에 대응하여 상기 종속혼돈장치로 부터 발생하는 혼돈신호에 부가하여 상기 종속혼돈장치로 되먹임하는 제2동기화부로 이루어진다.
- 권리의 일부말소등록_포기항 : 3,4,7,10





