타임 게이팅법을 적용한 초고주파 교차 주파수 플라즈마 진단 방법
출원번호 : 10-2019-0033742 (출원일: 2019-03-25)
등록번호 : 10-2197369 (등록일: 2020-12-24)
특허권자 : 충남대학교산학협력단
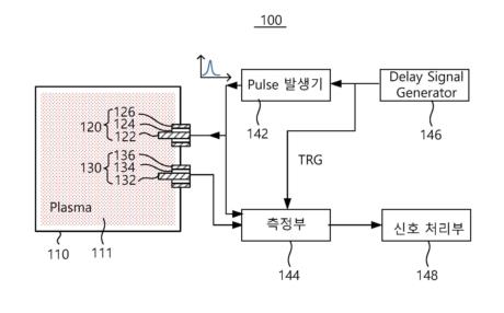
요약 : 본 발명의 일 실시예에 따른 교차 주파수 플라즈마 진단 장치는, 펄스 형태의 방사 신호를 출력하는 펄스 발생기; 상기 펄스 발생기를 통하여 상기 방사신호를 제공받아 플라즈마로 전자기파를 방출하는 송신 안테나; 상기 송신 안테나와 이격되어 배치되고 상기 플라즈마를 투과한 상기 전자기파를 수신하여 투과 신호로 변환하는 수신 안테나; 상기 방사 신호를 획득하고 제1 게이팅 시간 및 제1 게이팅 시간보다 큰 제2 게이팅 시간 내에 상기 수신 안테나를 통하여 제1 투과신호 및 제2 투과신호를 획득하는 측정부; 상기 펄스 발생기의 상기 방사 신호에 동기화된 트리거 신호를 생성하여 상기 펄스 발생기 및 상기 측정부에 제공하는 지연 신호 발생기; 및 상기 방사 신호, 상기 제1 투과신호 및 상기 제2 투과 신호를 푸리어 변환하는 신호 처리부;를 포함한다.
대표청구항 : 펄스 발생기를 통하여 송신 안테나에 펄스 형태의 방사신호를 제공하여 플라즈마로 전자기파를 방출하는 단계;상기 송신 안테나와 이격되어 배치된 수신 안테나를 통하여 상기 방사 신호와 동기화되고 제1 게이팅 시간 내에서 상기 플라즈마를 투과한 제1 투과 신호를 획득하고 상기 수신 안테나를 통하여 상기 방사 신호와 동기화되고 제1 게이팅 시간보다 큰 제2 게이팅 시간 내에서 상기 플라즈마를 투과한 제1 투과 신호 및 제2 투과 신호를 획득하는 단계;상기 방사 신호를 푸리어 변환하여 입력 스펙트럼 신호를 산출하는 단계;상기 제1 투과 신호를 푸리어 변환하여 기준 스펙트럼 신호를 산출하고 상기 제1 투과 신호 및 상기 제2 투과 신호를 푸리어 변환하여 플라즈마 스펙트럼 신호를 산출하는 단계;상기 기준 스펙트럼 신호를 입력 스펙트럼 신호로 규격화하여 규격화된 기준 스펙트럼 신호를 생성하는 단계;상기 플라즈마 스펙트럼 신호를 입력 스펙트럼 신호로 규격화하여 규격화된 플라즈마 스펙트럼 신호를 생성하는 단계; 및상기 규격화된 기준 스펙트럼 신호와 규격화된 플라즈마 스펙트럼 신호가 교차하는 교차주파수를 추출하는 단계;를 포함하고,상기 제1 투과신호 및 상기 제2 투과신호는 시간에 따라 순차적으로 생성되고, 상기 제2 투과 신호는 상기 제1 게이팅 시간 이후 상기 제2 게이팅 시간 내에서 측정된 신호인 것을 특징으로 하는 교차 주파수 플라즈마 진단 방법.
상세링크 : http://newsd.wips.co.kr/wipslink/api/dkrdshtm.wips?skey=3520534000582





