출원번호 : 10-2018-0039666 (2018년04월05일)
등록번호 : 10-2048144 (2019년11월18일)
특허권자 : 한밭대학교
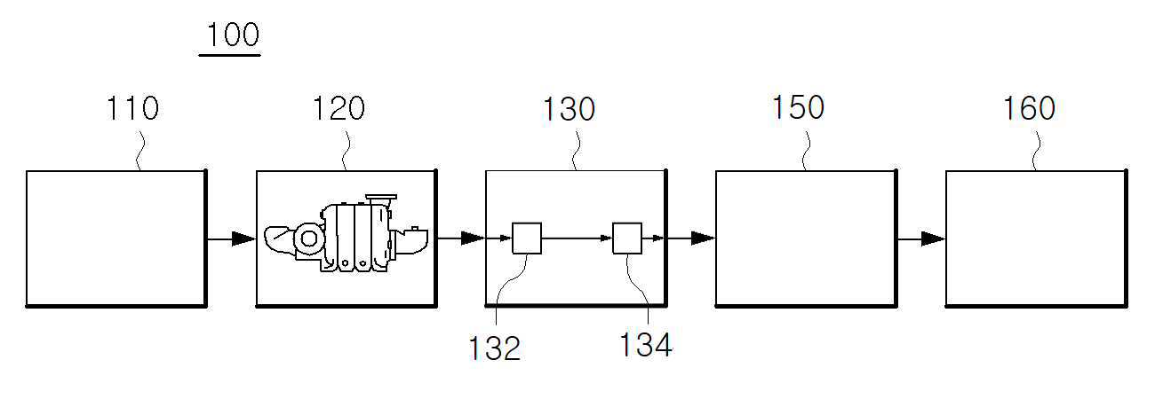
요약 : 본 발명의 제1 측면에 의하면, 가열 대상인 물을 공급하는 물 공급부; 상기 물 공급부에서 공급되는 물을 압축하
는 압축부; 가연성 폐기물을 소각하고, 소각 중 발생되는 열을 이용하여 상기 물 공급부에서 공급되는 물을 제1
압력과 제1 온도를 갖는 제1 증기로 발생시키는 증기 발생부; 가열에 의해 상기 제1 증기의 온도를 승온시켜 제2
온도를 갖는 제2 증기로 배출하는 재가열부; 및 상기 재가열부에서 배출되는 상기 제2 증기에 의해 발전을 수행
하는 발전부를 포함하는 가연성 폐기물을 이용한 발전 장치를 제공한다.
본 발명은, 가연성 폐기물을 소각하여 발생되는 열을 이용하여 소정 온도의 증기를 생산하고, 생산된 증기의 온
도를 상승시킨 후 이를 이용하여 보다 높은 효율로써 전기를 생산하고, 가연성 폐기물을 이용하여 저온 저압의
증기를 생산한 후, 생산된 증기를 별도의 화석 연료 연소장치를 사용하여 승온시켜(소각로에서 생산한 스팀의 압
력은 충분히 높음) 발전에 사용되므로, 화석 연료만을 사용하여 증기를 발생시켜 발전을 수행하는 경우보다 화석
연료의 사용량이 감소된다.





