출원번호 : 10-2016-0013943 (2016년02월04일)
등록번호 : 10-1716073 (2017년03월07일)
특허권자 : 한밭대학교
요약 : 본 발명은 풍력터빈의 토크모드스위치 제어방법 및 그 시스템에 대한 것이다. 보다 상세하게는, 보다 상세하게는
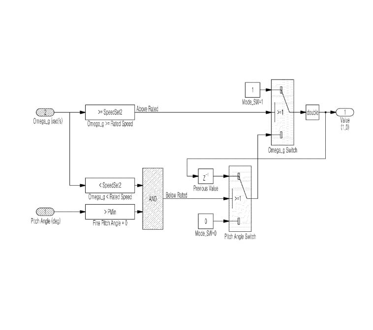
발전기 회전속도를 실시간으로 측정하는 회전속도 측정부; 블레이드의 피치 명령각을 실시간으로 계산하는 피치
제어기; 피치 명령각을 제한하여 실제 블레이드의 피치각을 결정하는 피치각 제한장치부; 상기 회전속도 측정부
에서 측정된 회전속도와 피치제어기와 피치각 제한장치부에서 결정된 피치각을 기준으로, 모드값을 선택하는 토
크모드스위치; 및 상기 토크모드스위치에서 선택된 모드값에 따라 발전기의 토크를 제어하는 토크제어기를 포함
하여, 풍력터빈의 토크제어 있어서 풍속이 정격풍속 이상에서 정격풍속 이하로 급격히 떨어질 때 토크모드스위치
로 인해 발생하는 토크채터링 문제를 방지할 수 있고, 안정적으로 토크제어기를 작동시킬 수 있는 풍력터빈의 토
크모드스위치 제어 시스템 및 방법에 관한 것이다.





